blog
EV blog

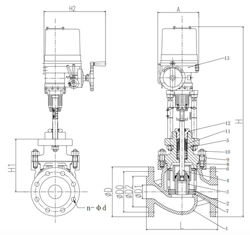
Her İki Tarafında Çift Kanatlı Elektrikli Basınç Dengeleyici Tek Koltuk Kontrol Vanası

Her İki Tarafında Çift Kanatlı Elektrikli Basınç Dengeleyici Tek Koltuk Kontrol Vanası

November 30, -0001

Giriiş:

 

Endüstriyel süreçlerin dinamik dünyasında, hassas kontrol çok önemlidir. GEKO'nun devrim niteliğindeki Çift kanatlı Elektrikli Basınç Denge Tek Koltuk Kontrol Vanası Her iki tarafta da kontrol yeteneklerinizi benzeri görülmemiş seviyelere çıkarmak için tasarlanmış son teknoloji bir çözüm.

 

Electric-Pressure-Balance-Single-Seat-Control-Valve-with-a-Double-Flap-On-Each-Side.jpg

 

Temel Özellikler:

 

Hassasiyet Yeniden Tanımlandı:

GEKO'nun Elektrikli Basınç Denge Vanası Akış hızlarını ve basıncı kontrol etmede benzersiz bir hassasiyet sunmak üzere tasarlanmıştır. Her iki taraftaki çift kanatlı tasarım, hızlı ve hassas bir modülasyon sağlayarak çeşitli uygulamalarda optimum proses kontrolü sağlar.

 

Basınç Dengeleme Teknolojisi:

Bu sisteme dahil edilen basınç dengeleme teknolojisi kontrol vanası GEKO'nun ileri teknoloji mühendisliğine olan bağlılığı sayesinde, zorlu ve dalgalı proses koşullarında bile istikrarlı performans deneyimi yaşayın.

 

Çift Kanat Avantajı:

Vananın her iki tarafındaki çift kanatlı tasarım, çığır açıcı bir özelliktir. Kontrol hassasiyetini artırır, histerezisi en aza indirir ve tepki süresini optimize eder. Bu yenilikçi özellik, GEKO'yu kontrol vanası teknolojisinde lider bir konuma getirir.

 

Çok Yönlülüğün Kilidini Açığa Çıkarın:

İster kimya, petrokimya, enerji üretimi veya diğer proses endüstrilerinde olun, GEKO'nun Elektrikli Basınç Denge Vanası çok çeşitli uygulamalara uyum sağlayacak şekilde tasarlanmıştır. Çok yönlülüğü, güvenilir ve uyarlanabilir bir kontrol vanası arayan mühendisler ve operatörler için ideal bir çözüm olmasını sağlar.

 

Kusursuz Entegrasyon:

Mevcut kontrol sistemlerine sorunsuz entegrasyon, mevcut kurulumunuza sorunsuz bir yükseltme olanağı sağlar. Kapsamlı değişikliklerin kesintiye uğratması olmadan modern kontrol teknolojisinin avantajlarından yararlanın.

 

Sağlam Yapı:

GEKO, endüstriyel ortamların taleplerini anlıyor. Kontrol vanası, dayanıklılık göz önünde bulundurularak üretilmiş olup, uzun ömürlü ve minimum bakım gerektiren sağlam bir yapıya sahip olup, genel maliyet etkinliğine katkıda bulunur.

 

Çözüm:


GEKO'nun her iki tarafında çift kanatlı Elektrikli Basınç Dengeli Tek Yataklı Kontrol Vanası, hassasiyet, verimlilik ve güvenilirlik arayan endüstriler için çığır açan bir çözümdür. GEKO'nun inovasyon ve mükemmellik taahhüdüyle kontrol yeteneklerinizi geliştirin ve rekabet ortamında öne geçin. Kontrol teknolojisinin geleceğine yatırım yapın - GEKO'yu seçin. info@geko-union.com

 

mesaj bırakın

mesaj bırakın
Ürünlerimizle ilgileniyorsanız ve daha fazla ayrıntı öğrenmek istiyorsanız, lütfen buraya bir mesaj bırakın, mümkün olan en kısa sürede size cevap vereceğiz.
GÖNDERMEK

EV

ÜRÜNLER

temas etmek